公司产品
深圳市高士达精密机械有限公司
手机:159-9953-8817
电话:0755-29673755/3955
邮箱:2251952937@qq.com
传真:0755-29673856
地址:深圳市宝安区观兰镇君子布村君新路(142号)胜顺产业园B栋
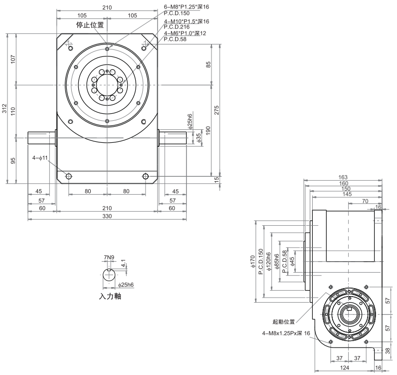
110DA分割器
110DA分割器

东莞110DA分割器怎么样?间歇分割器厂家高士达是一家集研发,生产,服务为一体的开云集团中国有限公司官网及精密机械凸轮的制造企业。公司主要以服务机械工业发展为使命,在自我完善中跟随客户共同进取,努力为全社会机械工业发展作出积极的贡献。除此之外,公司还有自己的专业的技术团队,本公司联合台湾资深凸轮设计制造专家,引进美国专业凸轮设计制造系统,同时引进台湾专业凸轮生产设备并成功等。
技术参数
| 项目 | 符号 | 单位 | 数值 |
| 输出轴容许轴向载荷 | P1 | N | 6800 |
| 输出轴容许轴向载荷 | P2 | N | 3400 |
| 输出轴的容许扭距 | Ts | N.m | 参考扭距功能表 |
| 输出轴的扭距刚度 | K1 | N.m/rad | 4.43x105 |
| 输出轴的惯性矩 | Jo | kgf-m2 | 3.47x10-3 |
| 输出轴的容许弯曲扭距 | P3 | N.m | 147 |
| 输出轴容许轴向载荷 | P4 | N | 3000 |
| 输出轴最大重复弯曲力 | P5 | N | 3500 |
| 输出轴最大重复容许扭距 | P6 | N.m | 294 |
| 输出轴的抗扭刚度 | K2 | N.m/rad | 3.98x104 |
| 输出轴的惯性矩 | Jc | kgf-m2 | 6.0x10-3 |
| 1DWLL分度精度 | sec | ±30 | |
| 2DWLL分度精度 | sec | ±60 | |
| 重复精度 | sec | 30 | |
| 本机重量 | kg | 42 | |
| 箱体涂装色 | 土黄色 | ||
| 齿轮减速电机涂装色 | 请参考出厂实际情况 | ||
注:输出轴的惯性矩为停止时的值














