公司产品
深圳市高士达精密机械有限公司
手机:159-9953-8817
电话:0755-29673755/3955
邮箱:2251952937@qq.com
传真:0755-29673856
地址:深圳市宝安区观兰镇君子布村君新路(142号)胜顺产业园B栋
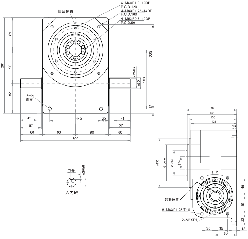
90DA分割器
90DA分割器

高士达90DA分割器怎么样?品牌供应商高士达精生产分割器产品销往深圳、东莞、苏州、江门、佛山等地,为什么选择高士达?因为该公司提供免费技术咨询:可写性评估,初步方案规划;维护保养:一年保修,十年耐用;24小时故障响应:远程在线支持,快速到场抢修等原因。
技术参数
| 项目 | 符号 | 单位 | 数值 |
| 输出轴容许轴向载荷 | P1 | N | 4900 |
| 输出轴容许轴向载荷 | P2 | N | 2100 |
| 输出轴的容许扭距 | Ts | N.m | 参考扭距功能表 |
| 输出轴的扭距刚度 | K1 | N.m/rad | 2.64x106 |
| 输出轴的惯性矩 | Jo | kgf-m2 | 1.11x10-3 |
| 输出轴的容许弯曲扭距 | P3 | N.m | 98 |
| 输出轴容许轴向载荷 | P4 | N | 2500 |
| 输出轴最大重复弯曲力 | P5 | N | 2500 |
| 输出轴最大重复容许扭距 | P6 | N.m | 245 |
| 输出轴的抗扭刚度 | K2 | N.m/rad | 2.36x104 |
| 输出轴的惯性矩 | Jc | kgf-m2 | 2.5x10-3 |
| 1DWLL分度精度 | sec | ±30 | |
| 2DWLL分度精度 | sec | ±60 | |
| 重复精度 | sec | 30 | |
| 本机重量 | kg | 24 | |
| 箱体涂装色 | 土黄色 | ||
| 齿轮减速电机涂装色 | 请参考出厂实际情况 | ||
注:输出轴的惯性矩为停止时的值














