公司产品
深圳市高士达精密机械有限公司
手机:159-9953-8817
电话:0755-29673755/3955
邮箱:2251952937@qq.com
传真:0755-29673856
地址:深圳市宝安区观兰镇君子布村君新路(142号)胜顺产业园B栋
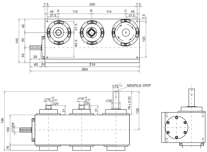
三轴分割器-50D3S分割器
三轴分割器-50D3S分割器

高士达是一家集研发,生产,服务为一体的开云集团中国有限公司官网及精密机械凸轮的制造企业,作为三轴分割器厂家的高士达生产的50D3S分割器,为你介绍其生产产品技术参数和注意事项和相关产品图片展示,自公司成立之初我们就联合台湾资深凸轮设计制造专家,引进美国专业凸轮设计制造系统,同时引进台湾专业凸轮生产设备并成功升级。使我们在生产技术和设备上已达到世界的先进水平。
技术参数
| 项目 | 符号 | 单位 | 数值 |
| 出力轴容许径向负荷 | C1 | kgf | 130 |
| 出力轴容许轴向负荷 | C2 | kgf | 140 |
| 出力轴容许力矩 | Ts | kgf-m | 参考力矩表 |
| 入力轴容许径向负荷 | C3 | kgf | 85 |
| 入力轴最大弯曲力矩 | C4 | kgf | 110 |
| 入力轴最大扭矩 | C5 | kgf-m | 4 |
| 入力轴的GD2(注1) | C6 | kgf-m2 | 3.2x10-4 |
| 定位分割精度 | sec | ±60 | |
| 重量 | kg | 45 |
注:入力轴的GD2是在停留范围内的数值。
注:C1至C5数值是达到安全系数=2时的数值。














