公司产品
深圳市高士达精密机械有限公司
手机:159-9953-8817
电话:0755-29673755/3955
邮箱:2251952937@qq.com
传真:0755-29673856
地址:深圳市宝安区观兰镇君子布村君新路(142号)胜顺产业园B栋
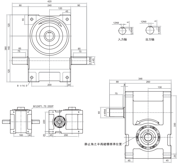
心轴型分割器-140DS分割器
心轴型分割器-140DS分割器

深圳140DS分割器供应商哪家好?推荐心轴型分割器厂家高士达是一家集研发,生产,服务为一体的开云集团中国有限公司官网及精密机械凸轮的制造企业,以执着的专业精神秉持产品品质优良的经营理念与您共创美好未来!
心轴型(25Ds,32Ds,45Ds,60Ds,70Ds,80Ds,110Ds,140Ds)
此系列机种为典型传统式心轴造型,其安装配件之加工安装配合齿轮、联轴器或联轴盘,需特别注重 孔径公差(+0.015/-0)、及链槽公差(+0.015/-0),其使用场合在输送带驱动、齿轮驱动、无间隙联 轴器结合驱动居多。
技术参数
| 项目 | 符号 | 单位 | 数值 |
| 出力轴容许径向负荷 | C1 | kgf | 730 |
| 出力轴容许轴向负荷 | C2 | kgf | 860 |
| 出力轴容许力矩 | Ts | kgf-m | 参考力矩表 |
| 入力轴容许径向负荷 | C3 | kgf | 440 |
| 入力轴最大弯曲力矩 | C4 | kgf | 560 |
| 入力轴最大扭矩 | C5 | kgf-m | 75 |
| 入力轴的GD2(注1) | C6 | kgf-m2 | 0.11 |
| 定位分割精度 | sec | ±30 | |
| 重量 | kg | 120 |
注:入力轴的GD2的数值。
注:C1至C5数值是达到安全系数=2时的数值。

上一条: 45DFS-OUT口罩机分割器
下一条: 心轴型分割器-110DS分割器













