公司产品
深圳市高士达精密机械有限公司
手机:159-9953-8817
电话:0755-29673755/3955
邮箱:2251952937@qq.com
传真:0755-29673856
地址:深圳市宝安区观兰镇君子布村君新路(142号)胜顺产业园B栋
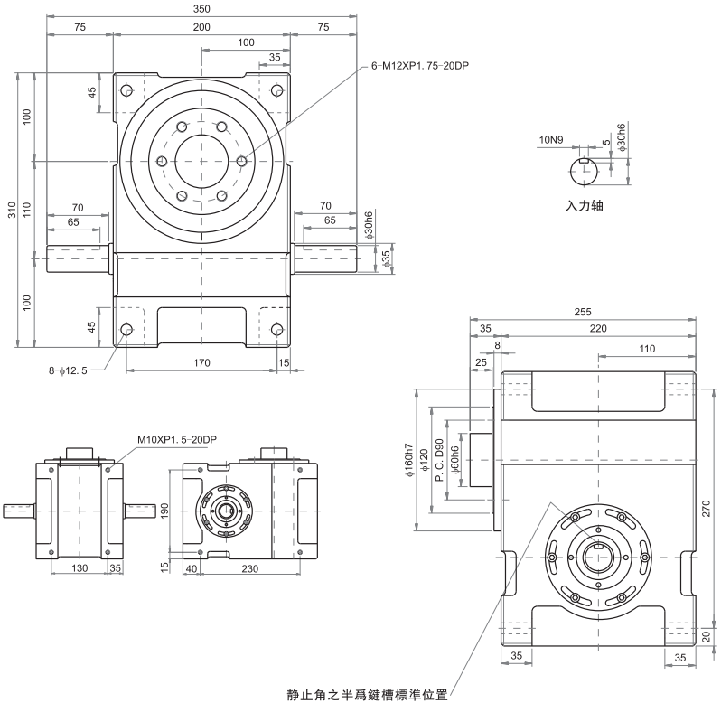
110DF分割器
110DF分割器

深圳凸缘型分割器厂家高士达生产的110DF分割器为什么相比于同行更受欢迎,原因在于1.严格的工艺流程:锻造、粗车、调质、精车、粗磨、铣削、淬火、喷砂等每一道工序都经过严格精选的检测 2.专业的技术团队:本公司联合台湾资深凸轮设计制造专家,引进美国专业凸轮设计制造系统,同时引进台湾专业凸轮生产设备并成功升级。3.为什么选择我们:提供免费技术咨询:可写性评估,初步方案规划;维护保养:一年保修,十年耐用;24小时故障响应:远程在线支持,快速到场抢修4.分割器厂家的追求:以服务机械工业发展为使命,在自我完善中跟随客户共同进取,努力为全社会机械工业发展作出积极的贡献。
凸缘型(45DF,60DF,70DF,80DF,110DF,140DF,180DF,250DF)
此机种具有重负荷特性,可承受较大之垂直径向或轴向压力,为本公司专属设计工程师群,经历多年针对盘式结构需要设计而成,其输出轴为面盘式设计,有凸缘中心、盘面螺孔、定位、销孔,固定面宽大,可使平面度及稳固性,更具坚实平稳。最能适用于较大负荷之回转式圆盘驱动场合,此系列机种被广泛使用在各类盘式加工机械,及类似机构之产业机械,自动化间歇驱动部,驱动圆盘。
技术参数
| 项目 | 符号 | 单位 | 数值 |
| 出力轴容许径向负荷 | C1 | kgf | 560 |
| 出力轴容许轴向负荷 | C2 | kgf | 700 |
| 出力轴容许力矩 | Ts | kgf-m | 参考力矩表 |
| 入力轴容许径向负荷 | C3 | kgf | 480 |
| 入力轴最大弯曲力矩 | C4 | kgf | 415 |
| 入力轴最大扭矩 | C5 | kgf-m | 40 |
| 入力轴的GD2(注1) | C6 | kgf-m2 | 2.8x18-2 |
| 定位分割精度 | sec | ±30 | |
| 重量 | kg | 60 |
注:入力轴的GD2是在停留范围内的数值。
注:C1至C5数值是达到安全系数=2时的数值。














