公司产品
深圳市高士达精密机械有限公司
手机:159-9953-8817
电话:0755-29673755/3955
邮箱:2251952937@qq.com
传真:0755-29673856
地址:深圳市宝安区观兰镇君子布村君新路(142号)胜顺产业园B栋
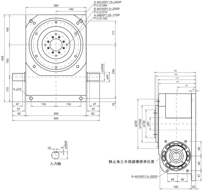
150DA分割器
150DA分割器

深圳分割器选型厂家高士达为你介绍150DA分割器一系列参数:比方说,输出轴容许轴向载荷、输出轴容许轴向载荷、输出轴的容许扭距、输出轴的扭距刚度、输出轴的惯性矩、输出轴的容许弯曲扭距、输出轴容许轴向载荷、输出轴最大重复弯曲力、输出轴最大重复容许扭距、输出轴的抗扭刚度、输出轴的惯性矩、1DWLL分度精度、2DWLL分度精度、重复精度、本机重量、箱体涂装色、齿轮减速电机涂装色等,除此之外,深圳市高士达精密机械有限公司是一家集研发,生产,服务为一体的开云集团中国有限公司官网及精密机械凸轮的制造企业。
技术参数
| 项目 | 符号 | 单位 | 数值 |
| 输出轴容许轴向载荷 | P1 | N | 11000 |
| 输出轴容许轴向载荷 | P2 | N | 6800 |
| 输出轴的容许扭距 | Ts | N.m | 参考扭距功能表 |
| 输出轴的扭距刚度 | K1 | N.m/rad | 2.37x105 |
| 输出轴的惯性矩 | Jo | kgf-m2 | 0.62 |
| 输出轴的容许弯曲扭距 | P3 | N.m | 333.2 |
| 输出轴容许轴向载荷 | P4 | N | 4000 |
| 输出轴最大重复弯曲力 | P5 | N | 4000 |
| 输出轴最大重复容许扭距 | P6 | N.m | 392 |
| 输出轴的抗扭刚度 | K2 | N.m/rad | 6.64x104 |
| 输出轴的惯性矩 | Jc | kgf-m2 | 0.020 |
| 1DWLL分度精度 | sec | ±30 | |
| 2DWLL分度精度 | sec | ±60 | |
| 重复精度 | sec | 30 | |
| 本机重量 | kg | 84 | |
| 箱体涂装色 | 土黄色 | ||
| 齿轮减速电机涂装色 | 请参考出厂实际情况 | ||
注:输出轴的惯性矩为停止时的值














