公司产品
深圳市高士达精密机械有限公司
手机:159-9953-8817
电话:0755-29673755/3955
邮箱:2251952937@qq.com
传真:0755-29673856
地址:深圳市宝安区观兰镇君子布村君新路(142号)胜顺产业园B栋
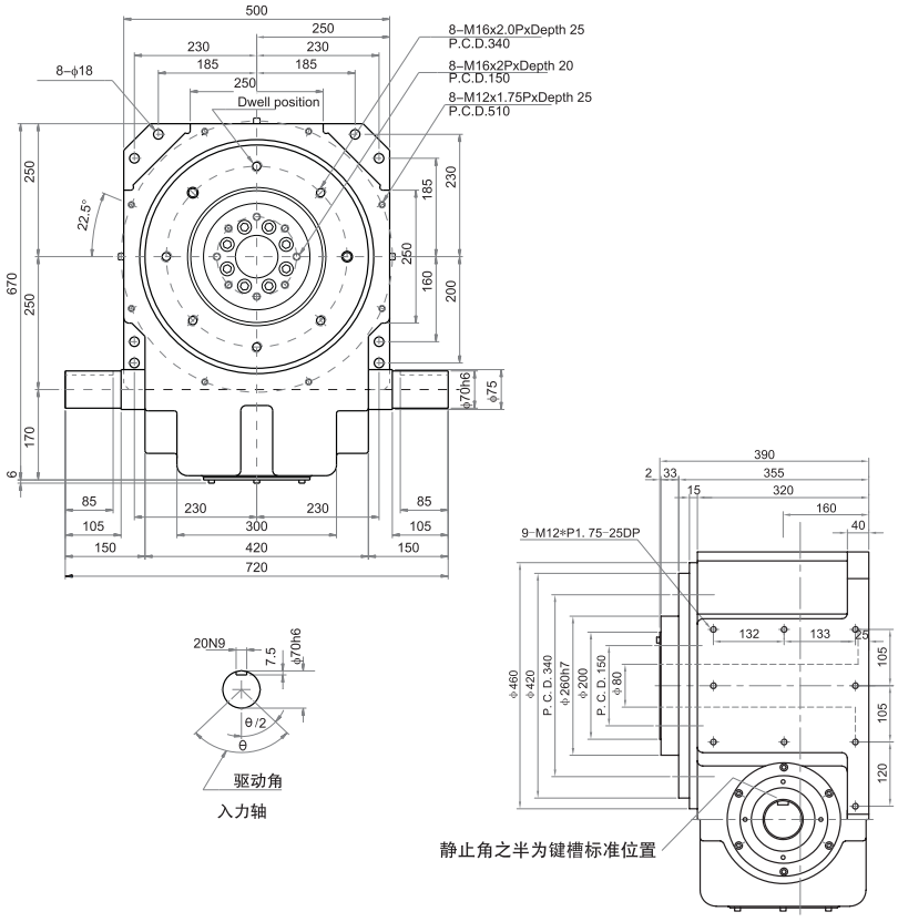
250DT分割器
250DT分割器

分割器选型厂商深圳市高士达精密机械有限公司生产的250DT分割器怎么样?高士达是一家本着“诚信,专业,创新,服务”的理念,遵从互惠互利,诚实守信的原则集研发,生产,服务为一体的开云集团中国有限公司官网及精密机械凸轮的制造企业,自公司成立之初我们就联合台湾资深凸轮设计制造专家,引进美国专业凸轮设计制造系统,同时引进台湾专业凸轮生产设备并成功升级。使我们在生产技术和设备上已达到世界的先进水平。
平台桌面型(80DT,110DT,140DT,180DT,250DT,350DT)
此系列机种之尺寸设计特性与凸缘型功能想啥,于驱动运转上可承载超大轴向负载及垂直径向压力,在输出端有一凸起固定盘面及大孔径空心轴,可搭配设置功能、静态自动化周边设备,可将动力源之电、油、气管路置于空心孔内,此系列机种广泛用于重负载、直接自动化设备之各类机构及产业机械,作同步自动化间歇运动。
技术参数
| 项目 | 符号 | 单位 | 数值 |
| 出力轴容许径向负荷 | C1 | kgf | 1500 |
| 出力轴容许轴向负荷 | C2 | kgf | 1800 |
| 出力轴容许力矩 | Ts | kgf-m | 参考力矩表 |
| 入力轴容许径向负荷 | C3 | kgf | 1900 |
| 入力轴最大弯曲力矩 | C4 | kgf | 2250 |
| 入力轴最大扭矩 | C5 | kgf-m | 670 |
| 入力轴的GD2(注1) | C6 | kgf-m2 | 0.86 |
| 定位分割精度 | sec | ±30 | |
| 重量 | kg | 450 |
注:入力轴的GD2是在停留范围内的数值。
注:C1至C5数值是达到安全系数=2时的数值。














