公司产品
深圳市高士达精密机械有限公司
手机:159-9953-8817
电话:0755-29673755/3955
邮箱:2251952937@qq.com
传真:0755-29673856
地址:深圳市宝安区观兰镇君子布村君新路(142号)胜顺产业园B栋
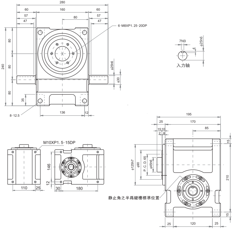
80DF分割器
80DF分割器

作为凸缘型分割器品牌厂家的高士达,其生产的80DF分割器具备重负荷特性,可承受较大之垂直径向或轴向压力等特点,除此之外,深圳市高士达精密机械有限公司更是一家集研发,生产,服务为一体的开云集团中国有限公司官网及精密机械凸轮的制造企业。
凸缘型(45DF,60DF,70DF,80DF,110DF,140DF,180DF,250DF)
此机种具有重负荷特性,可承受较大之垂直径向或轴向压力,为本公司专属设计工程师群,经历多年针对盘式结构需要设计而成,其输出轴为面盘式设计,有凸缘中心、盘面螺孔、定位、销孔,固定面宽大,可使平面度及稳固性,更具坚实平稳。最能适用于较大负荷之回转式圆盘驱动场合,此系列机种被广泛使用在各类盘式加工机械,及类似机构之产业机械,自动化间歇驱动部,驱动圆盘。
技术参数
| 项目 | 符号 | 单位 | 数值 |
| 出力轴容许径向负荷 | C1 | kgf | 330 |
| 出力轴容许轴向负荷 | C2 | kgf | 420 |
| 出力轴容许力矩 | Ts | kgf-m | 参考力矩表 |
| 入力轴容许径向负荷 | C3 | kgf | 350 |
| 入力轴最大弯曲力矩 | C4 | kgf | 260 |
| 入力轴最大扭矩 | C5 | kgf-m | 25 |
| 入力轴的GD2(注1) | C6 | kgf-m2 | 9x10-3 |
| 定位分割精度 | sec | ±30 | |
| 重量 | kg | 31.5 |
注:入力轴的GD2是在停留范围内的数值。
注:C1至C5数值是达到安全系数=2时的数值。














