公司产品
深圳市高士达精密机械有限公司
手机:159-9953-8817
电话:0755-29673755/3955
邮箱:2251952937@qq.com
传真:0755-29673856
地址:深圳市宝安区观兰镇君子布村君新路(142号)胜顺产业园B栋
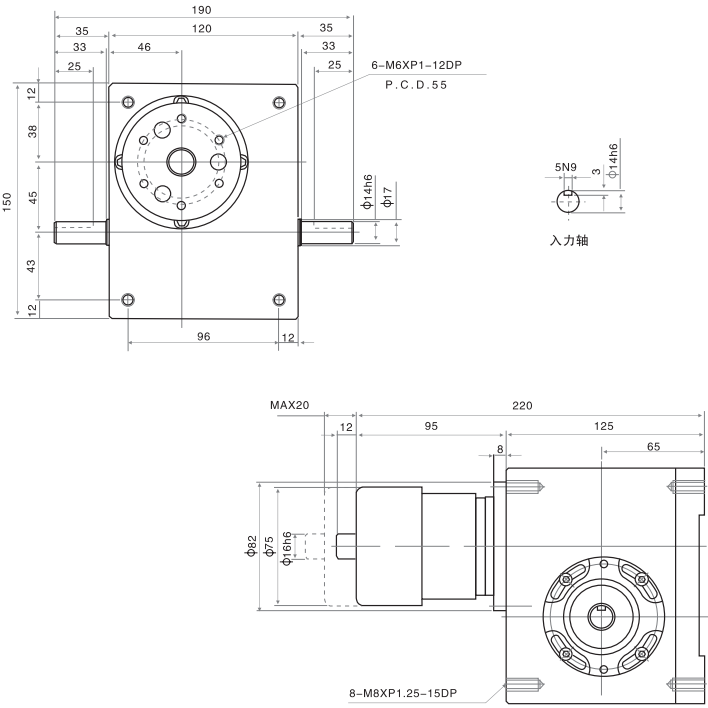
45DSU分割器
45DSU分割器

分割器厂家高士达其公司生产产品开云集团中国有限公司官网选型有:45DSU分割器、70DSU分割器、80DSU分割器、110DSU分割器,深圳市高士达精密机械有限公司是一家集研发,生产,服务为一体的开云集团中国有限公司官网及精密机械凸轮的制造企业。公司在不断满足包装,制药,电光源,电源,电池等等机械设备制造的同时并积极开拓国内外市场,致力于高新技术产品的开发制造,同时与国内外同行和企业开展各种形式的技术交流与合作。
凸缘升降型(45DSU,60DSU,70DSU,80DSU,110DSU)
左右摇摆、上下夹取系统紧密及高精度、高速度之夹取输送,为你自动化系统提供了多种变化流程功能。SU系列为出力轴上下往复运动间歇旋转或左右摇摆运动之合成机构。
技术参数
| 项目 | 符号 | 单位 | 数值 |
| 出力轴容许径向负荷 | C1 | kgf | 5 |
| 出力轴容许轴向负荷 | C2 | kgf | 9 |
| 出力轴容许力矩 | Ts | kgf-m | 参考力矩表 |
| 入力轴容许径向负荷 | C3 | kgf | 60 |
| 入力轴最大弯曲力矩 | C4 | kgf | 45 |
| 入力轴最大扭矩 | C5 | kgf-m | 3.8 |
| 入力轴的GD2(注1) | C6 | kgf-m2 | 3.9x10-4 |
| 定位分割精度 | sec | ±30 | |
| 重量 | kg | 15 |
注:入力轴的GD2是在停留范围内的数值。
注:C1至C5数值是达到安全系数=2时的数值。














